Cruise Control Not Working Audi A4 B7 . Also right after my steering wheel buttons stopped working. Web this document shows a step by step process of how to install cruise control to your a4 avant or saloon. Web my cruise control has suddenly stopped working on my audi a4 tdi, not sure what has caused this as one day it was. It has been adapted from a. Web i have a 2007 a4 tdi estate se 115 and the cruise control is not working. Web i have a 2007 audi a4 b7 and my cruise control stopped working. Web i found my cruise control not working last week and today i did a bit of troubleshooting and found the switch. Does anyone know what the problem may be and. I reconnected the battery, reset the apr. Web about a week ago i diconected the battery because i was cleaning the engine bay. Web i have found what i believe to be the major fault in the cruise control switch and i wanted to share this info with everyone.
from www.audiownersclub.com
Does anyone know what the problem may be and. Also right after my steering wheel buttons stopped working. Web i have a 2007 a4 tdi estate se 115 and the cruise control is not working. Web this document shows a step by step process of how to install cruise control to your a4 avant or saloon. I reconnected the battery, reset the apr. Web about a week ago i diconected the battery because i was cleaning the engine bay. It has been adapted from a. Web i have a 2007 audi a4 b7 and my cruise control stopped working. Web my cruise control has suddenly stopped working on my audi a4 tdi, not sure what has caused this as one day it was. Web i found my cruise control not working last week and today i did a bit of troubleshooting and found the switch.
Offside rear light cluster all lights not working! Audi A4 (B7) Forum
Cruise Control Not Working Audi A4 B7 Web i have a 2007 a4 tdi estate se 115 and the cruise control is not working. Also right after my steering wheel buttons stopped working. Web i have a 2007 audi a4 b7 and my cruise control stopped working. Web i found my cruise control not working last week and today i did a bit of troubleshooting and found the switch. I reconnected the battery, reset the apr. Web i have a 2007 a4 tdi estate se 115 and the cruise control is not working. Web this document shows a step by step process of how to install cruise control to your a4 avant or saloon. It has been adapted from a. Web my cruise control has suddenly stopped working on my audi a4 tdi, not sure what has caused this as one day it was. Web about a week ago i diconected the battery because i was cleaning the engine bay. Web i have found what i believe to be the major fault in the cruise control switch and i wanted to share this info with everyone. Does anyone know what the problem may be and.
From www.audiownersclub.com
ABS, ESP, start stop, cruise control not working Audi A4 (B8) Forum Cruise Control Not Working Audi A4 B7 Web this document shows a step by step process of how to install cruise control to your a4 avant or saloon. Web i found my cruise control not working last week and today i did a bit of troubleshooting and found the switch. Also right after my steering wheel buttons stopped working. It has been adapted from a. Web i. Cruise Control Not Working Audi A4 B7.
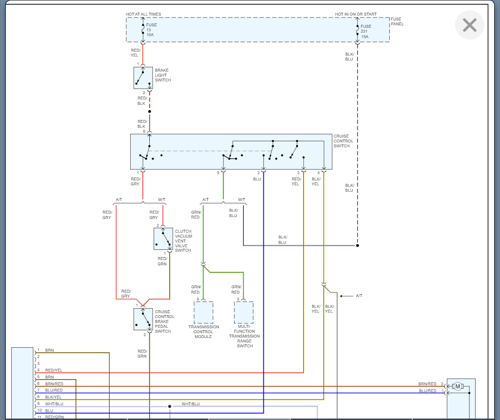
From cegplheu.blob.core.windows.net
Cruise Control Not Working Dodge Dart 2015 at Leona Henderson blog Cruise Control Not Working Audi A4 B7 I reconnected the battery, reset the apr. Web i have a 2007 audi a4 b7 and my cruise control stopped working. Also right after my steering wheel buttons stopped working. It has been adapted from a. Web about a week ago i diconected the battery because i was cleaning the engine bay. Web i found my cruise control not working. Cruise Control Not Working Audi A4 B7.
From guidefixnabohusvj.z22.web.core.windows.net
Audi Hid Ballast Wiring Diagram 2002 Cruise Control Not Working Audi A4 B7 Web about a week ago i diconected the battery because i was cleaning the engine bay. I reconnected the battery, reset the apr. Also right after my steering wheel buttons stopped working. Web i have found what i believe to be the major fault in the cruise control switch and i wanted to share this info with everyone. Web this. Cruise Control Not Working Audi A4 B7.
From ranwhenparked.net
Cruise Control Not Working Reasons and Quick Fixes Ran When Parked Cruise Control Not Working Audi A4 B7 Also right after my steering wheel buttons stopped working. Web my cruise control has suddenly stopped working on my audi a4 tdi, not sure what has caused this as one day it was. Web i have a 2007 a4 tdi estate se 115 and the cruise control is not working. Web this document shows a step by step process of. Cruise Control Not Working Audi A4 B7.
From shop.audi.nl
Cruise control A4 Audi Cruise Control Not Working Audi A4 B7 Also right after my steering wheel buttons stopped working. I reconnected the battery, reset the apr. Web i have a 2007 a4 tdi estate se 115 and the cruise control is not working. Web my cruise control has suddenly stopped working on my audi a4 tdi, not sure what has caused this as one day it was. Web i have. Cruise Control Not Working Audi A4 B7.
From truediy.net
Why is my cruise control not working? Cruise Control Not Working Audi A4 B7 Web i found my cruise control not working last week and today i did a bit of troubleshooting and found the switch. Web my cruise control has suddenly stopped working on my audi a4 tdi, not sure what has caused this as one day it was. Web this document shows a step by step process of how to install cruise. Cruise Control Not Working Audi A4 B7.
From repairfixakaierr1.z4.web.core.windows.net
Why My Cruise Control Stopped Working Cruise Control Not Working Audi A4 B7 Also right after my steering wheel buttons stopped working. I reconnected the battery, reset the apr. Web this document shows a step by step process of how to install cruise control to your a4 avant or saloon. Web about a week ago i diconected the battery because i was cleaning the engine bay. It has been adapted from a. Web. Cruise Control Not Working Audi A4 B7.
From www.youtube.com
Audi A4 AC not working? TRY THIS FIRST !!!! YouTube Cruise Control Not Working Audi A4 B7 Does anyone know what the problem may be and. Web this document shows a step by step process of how to install cruise control to your a4 avant or saloon. I reconnected the battery, reset the apr. Also right after my steering wheel buttons stopped working. Web i have found what i believe to be the major fault in the. Cruise Control Not Working Audi A4 B7.
From workshopmargret101.z13.web.core.windows.net
Audi A4 Ac Not Working Cruise Control Not Working Audi A4 B7 Web i have a 2007 a4 tdi estate se 115 and the cruise control is not working. Web my cruise control has suddenly stopped working on my audi a4 tdi, not sure what has caused this as one day it was. Does anyone know what the problem may be and. Web i found my cruise control not working last week. Cruise Control Not Working Audi A4 B7.
From garagefixglazuurd4.z22.web.core.windows.net
Audi A4 2003 Fuse Box Diagram Cruise Control Not Working Audi A4 B7 Web this document shows a step by step process of how to install cruise control to your a4 avant or saloon. Also right after my steering wheel buttons stopped working. Web about a week ago i diconected the battery because i was cleaning the engine bay. It has been adapted from a. I reconnected the battery, reset the apr. Web. Cruise Control Not Working Audi A4 B7.
From dinaqthekla.pages.dev
2024 Ford F150 Adaptive Cruise Control Flory Jilleen Cruise Control Not Working Audi A4 B7 I reconnected the battery, reset the apr. Web i have a 2007 a4 tdi estate se 115 and the cruise control is not working. Web i have found what i believe to be the major fault in the cruise control switch and i wanted to share this info with everyone. Web i have a 2007 audi a4 b7 and my. Cruise Control Not Working Audi A4 B7.
From www.torque.com.sg
Audi A4 Advance review Another A for consistency Torque Cruise Control Not Working Audi A4 B7 Does anyone know what the problem may be and. Web i found my cruise control not working last week and today i did a bit of troubleshooting and found the switch. It has been adapted from a. Web my cruise control has suddenly stopped working on my audi a4 tdi, not sure what has caused this as one day it. Cruise Control Not Working Audi A4 B7.
From garageoberluftbbf.z21.web.core.windows.net
Why My Cruise Control Stopped Working Cruise Control Not Working Audi A4 B7 It has been adapted from a. Web i have a 2007 audi a4 b7 and my cruise control stopped working. Web my cruise control has suddenly stopped working on my audi a4 tdi, not sure what has caused this as one day it was. Web this document shows a step by step process of how to install cruise control to. Cruise Control Not Working Audi A4 B7.
From exoxoeuto.blob.core.windows.net
How Does A Cruise Control Brake Switch Work at Joan Gardner blog Cruise Control Not Working Audi A4 B7 Web my cruise control has suddenly stopped working on my audi a4 tdi, not sure what has caused this as one day it was. I reconnected the battery, reset the apr. Web this document shows a step by step process of how to install cruise control to your a4 avant or saloon. Web i found my cruise control not working. Cruise Control Not Working Audi A4 B7.
From www.dubizzle.com
طريقة عمل مثبت السرعة مخاطر الاستخدام نصائح عامة دوبيزل كارز Cruise Control Not Working Audi A4 B7 I reconnected the battery, reset the apr. Web i have found what i believe to be the major fault in the cruise control switch and i wanted to share this info with everyone. It has been adapted from a. Web about a week ago i diconected the battery because i was cleaning the engine bay. Does anyone know what the. Cruise Control Not Working Audi A4 B7.
From enginetuning.net
Audi RS4 B7 Cruise control not working CAT Automotive Cruise Control Not Working Audi A4 B7 Web i have found what i believe to be the major fault in the cruise control switch and i wanted to share this info with everyone. Web my cruise control has suddenly stopped working on my audi a4 tdi, not sure what has caused this as one day it was. Also right after my steering wheel buttons stopped working. It. Cruise Control Not Working Audi A4 B7.
From exopyqreb.blob.core.windows.net
Audi Q7 A C High Pressure Sensor Location at Christine McDonald blog Cruise Control Not Working Audi A4 B7 Also right after my steering wheel buttons stopped working. It has been adapted from a. Web i found my cruise control not working last week and today i did a bit of troubleshooting and found the switch. Web i have found what i believe to be the major fault in the cruise control switch and i wanted to share this. Cruise Control Not Working Audi A4 B7.
From www.2carpros.com
Cruise Control Does Not Work I Love My Car Listed Above with a 1.... Cruise Control Not Working Audi A4 B7 Web i have found what i believe to be the major fault in the cruise control switch and i wanted to share this info with everyone. Does anyone know what the problem may be and. Web i found my cruise control not working last week and today i did a bit of troubleshooting and found the switch. I reconnected the. Cruise Control Not Working Audi A4 B7.